
SANY Brake System
What is the SANY Brake System
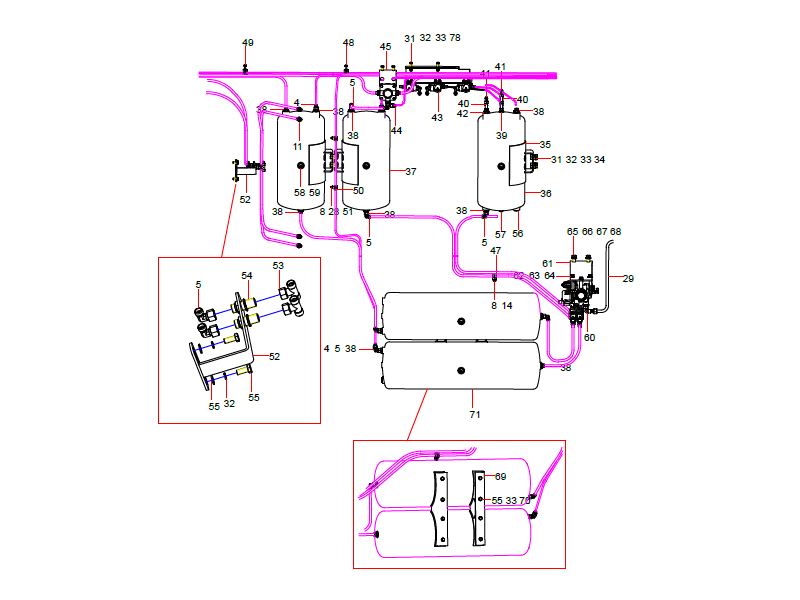
- The SANY Brake System encompasses the comprehensive network of hydraulic conduits and structural supports that form the primary safety circuit for heavy machinery braking operations. This critical subsystem relies on precisely engineered fluid paths created through components like the Swivel Reducing Straight Adapter, Fitting, Adapter, Fitting, Tee, and dual Fitting Elbow pieces, which ensure optimal flow direction and pressure management. Structural integrity is provided by the reinforced plate, Supporting steel plate, Support plate, and Fixed seat, which form a rigid framework. Hydraulic transmission is achieved through multiple Connector Pipe variants, STEEL PIPE, and robust Steel tube asscemble sections, while flexible connections are handled by the Heat Resistant Rubber Hose and specific Hose Assembly 2BK10-DKOL-800Q/SY1102.
- The entire assembly is secured with numerous fasteners including Screw, Nut, Bolt, and Washer components, alongside specialized U-CLAMP brackets and a Clip Sleeve for vibration resistance. Critical interfaces are ensured through the brattice adaptor, Transitional adaptor, Pneumatic connector, Reinforced bush, Connecting Nut, and sealing elements like the Seal Washer. The meticulous integration of every component within the SANY Brake System guarantees reliable, fail-safe braking performance under the most demanding operational conditions, reflecting SANY’s commitment to engineering excellence and safety.
Parameters of SANY Brake System (1/3)
| No. | Part No. | Description | Qty |
| 5 | B210780000024 | Fitting Elbow | 30 |
| 11 | B210780000037 | Connector Pipe | 13 |
| 31 | A210307000017 | Nut | 16 |
| 32 | A210401000001 | Washer | 20 |
| 33 | A210405000011 | WASHER-HARD | 28 |
| 45 | 14512100 | Fixed seat | 3 |
| 46 | A210111000029 | Bolt | 6 |
| 52 | 14437158 | Supporting steel plate | 2 |
| 53 | B210780000019 | Fitting, tee, L-shape | 4 |
| 54 | B210780000115 | Fitting, Bulkhead Connector | 6 |
| 55 | A210111000018 | Bolt | 12 |
| 79 | 14513886 | Relay valve pipe connector nstallation | 1 |
| 80 | 14513887 | Relay valve pipe connector nstallation | 1 |
| 81 | B210780000016 | Fitting Tee L-Shape | 3 |
Parameters of SANY Brake System (2/3)
| No. | Part No. | Description | Qty |
| 4 | B210780000827 | Connector Pipe | 4 |
| 5 | B210780000024 | Fitting Elbow | 30 |
| 8 | 23000169 | Nut | 10 |
| 11 | B210780000037 | Connector Pipe | 13 |
| 14 | A210204000131 | Screw | 5 |
| 28 | A210405000007 | Washer | 16 |
| 29 | 14365838 | Steel tube asscemble | 1 |
| 31 | A210307000017 | Nut | 16 |
| 32 | A210401000001 | Washer | 20 |
| 33 | A210405000011 | WASHER-HARD | 28 |
| 34 | A210204000215 | Screw | 8 |
| 35 | ODT005066210 | Fixed seat | 3 |
| 36 | 152599000197A | Air Reservoir | 1 |
| 37 | 152599000196A | Air Reservoir | 2 |
| 38 | B210780000746 | Fitting Adapter | 12 |
| 39 | B210780001286 | Connector, Pipe | 2 |
| 40 | B210780000015 | Fitting Tee | 3 |
| 41 | B210780000636 | Fitting, Elbow | 2 |
| 42 | B210780001028 | Connector, Pipe | 1 |
| 43 | 14513878 | Main plate | 1 |
| 44 | 14513880 | Relay valve pipe connector nstallation | 1 |
| 45 | 14512100 | Fixed seat | 3 |
| 47 | A229900006640 | pipe nip | 3 |
| 48 | A210204000135 | Screw | 1 |
| 49 | A210204000137 | Screw | 1 |
| 50 | A229900006639 | pipe nip | 2 |
| 51 | 24002251 | Screw | 2 |
| 52 | 14437158 | Supporting steel plate | 2 |
| 53 | B210780000019 | Fitting, tee, L-shape | 4 |
| 54 | B210780000115 | Fitting, Bulkhead Connector | 6 |
| 55 | A210111000018 | Bolt | 12 |
| 56 | B210780001395 | Plug Screw | 5 |
| 57 | B210780000609 | Plug | 1 |
| 58 | 60222880 | Discharging valve | 5 |
| 59 | A210434000011 | Washer | 5 |
| 60 | 14513879 | Desiccator pipe connector nstallation | 1 |
| 61 | 14357363 | Fixed seat | 1 |
| 62 | A210114000118 | Bolt | 3 |
| 63 | A210401000002 | Washer | 3 |
| 64 | A210405000001 | WASHER-HARD | 3 |
| 65 | A210111000290 | Bolt | 2 |
| 66 | A210307000040 | Nut | 2 |
| 67 | A210401000004 | Washer | 2 |
| 68 | A210405000003 | Washer | 2 |
| 69 | ODT005066211 | Fixed seat | 2 |
| 70 | A210314000009 | Nut | 8 |
| 71 | 152599000195A | Air Reservoir | 2 |
| 78 | A210111000028 | Bolt | 2 |
Parameters of SANY Brake System (3/3)
| No. | Part No. | Description | Qty |
| 1 | B210780001391 | Swivel Reducing Straight Adapter | 8 |
| 2 | 24004634 | Fitting, Adapter | 1 |
| 3 | B210780000118 | Fitting, Tee | 2 |
| 4 | B210780000827 | Connector Pipe | 4 |
| 5 | B210780000024 | Fitting Elbow | 30 |
| 6 | B210780000418 | Fitting Elbow | 2 |
| 7 | A210204000133 | Screw | 1 |
| 8 | 23000169 | Nut | 10 |
| 9 | 60016763 | Clamp | 5 |
| 10 | 14505211 | brattice adaptor | 4 |
| 11 | B210780000037 | Connector Pipe | 13 |
| 12 | B210780000174 | Connectorpipe | 1 |
| 13 | ODT004628811 | STEEL PIPE | 1 |
| 14 | A210204000131 | Screw | 5 |
| 15 | 14512313 | reinforced plate | 4 |
| 16 | 14505210 | Transitional adaptor | 1 |
| 17 | 14365842 | Steel tube asscemble | 1 |
| 18 | ODT004709033 | Supporting steel plate | 1 |
| 19 | 60008272 | U-CLAMP | 3 |
| 20 | 151099000004A | Heat Resistant Rubber Hose | 2 |
| 21 | 14365840 | Steel tube asscemble | 1 |
| 22 | 60008274 | U-CLAMP | 2 |
| 23 | 14434091 | Fixed seat | 2 |
| 24 | 14438471 | Support plate | 2 |
| 25 | A210307000012 | Nut | 12 |
| 26 | A210111000091 | Bolt | 2 |
| 27 | A210204000164 | Screw | 4 |
| 28 | A210405000007 | Washer | 16 |
| 29 | 14365838 | Steel tube asscemble | 1 |
| 30 | 14505261 | Pneumatic connector | 1 |
| 72 | 60006411 | Reinforced bush | 1 |
| 73 | 60006433 | Clip Sleeve | 1 |
| 74 | 60006436 | Connecting Nut | 1 |
| 75 | B230103000091 | Rubber hose | 2 |
| 76 | B230103008279 | Hose Assembly 2BK10-DKOL-800Q/SY1102 | 2 |
| 77 | A316280273213 | Seal Washer | 1 |
| 82 | A210401000017 | Washer | 8 |
Related SANY Spare Parts
Hot-Selling SANY Dump Truck

SYZ437C-8LRBEVSD
SANY Dump Truck SYZ437C-8

SYZ432C-8LRBEVSD
SANY Dump Truck SYZ432C-8

SYZ438C-8S(V)
SANY Dump Truck SYZ438C-8

SYZ324C-8Y(R)
SANY Dump Truck SYZ324C-8

SYZ440C-8S(R)
SANY Dump Truck SYZ440C-8

SYZ425C-8S(Ⅴ)
SANY Dump Truck SYZ425C-8
Why Choose Us?
SANYMACH offers professional product detail pages and technical documentation within minutes based on users’ equipment needs, ensuring clear information access and efficient procurement preparation. For customers of SANY construction machinery (including excavators, cranes, off-highway trucks like the SANY SKT90S, and concrete machinery), its decade-long industry expertise provides customized solution packages per project scale/business scenarios to accelerate project kickoff and operational efficiency. We also optimize equipment selection based on your construction scope, operational focus, capabilities, budget and site conditions for smooth execution, recommend cost-effective models per regional demands, suggest after-sales packages and maintenance cycles, and collaborate to ensure timely project delivery, long-term equipment value and mutual development with SANYMACH clients.
Online Catalog of SANY Parts
If you have any questions about our products, services, or anything related to what we offer, please don’t hesitate to leave us a message—our dedicated team is always ready to provide prompt and helpful responses to address your concerns. What’s more, when you become our valued customer, we’re delighted to offer you complimentary catalog services, giving you access to detailed, up-to-date information on our full range of products, specifications, and offerings to help you make informed decisions.









